【深度技术】P波段功放组件的研制 使各国不断加大投入

【深度技术】P波段功放组件的研制 使各国不断加大投入

今日荐文

今日荐文的作者为中国电子科技集团公司第三十八研究所专家沈项东,樊锡元 。本篇节选自论文《P波段功放组件的研制》,发表于《中国电子科学研究院学报》第12卷第1期。

摘要:功放组件是风廓线雷达的关键部件之一,对于整机的性能、可靠性、成本等有决定性的影响。本文通过风廓线雷达系统指标的分解、单元电路的划分、微带混合匹配电路的设计,研制了一种P波段功放组件。在充分满足系统指标的基础上,重点解决了组件的幅相一致性、可靠性等问题,大大降低了组件调试难度,从而为整机的长期稳定运行奠定了基础。

关键词:功放组件;架构;一致性;可靠性

引 言

风廓线雷达是一种以晴空湍流为对象,探测大气风场要素的新型地基遥感设备,通常工作在全天候无人值守状态。功放组件是风廓线雷达的核心部件之一,它向空中发射高频脉冲,信号处理系统提取回波,再利用多波束进行数据综合就可以获得实时风廓线。为了实现灵活而高精度的波束指向,对功放组件提出了高功率、高可靠、低成本、幅相一致性等性能要求。

固态微波功率器件由于工作电压低、可靠性高等优点,倍受各个领域的青睐。据资料报道,所有采用固态器件制作的发射机及功率组件,其可靠性指标都很高。集中式发射机的平均故障间隔时间(MTBF)已达到104小时,而收发组件则达到了105小时。

目前,国内外采用固态功放组件构成的发射系统屡见不鲜。新一代E-2D预警机雷达将电真空发射系统替换为固态发射系统,其核心部件是功放组件,同样采用固态功放组件的陆基雷达(美国X波段THAAD,丹麦的C波段MALIC),舰载雷达(美国的朱迪眼镜蛇,日本的OPS-24),机载预警雷达(瑞典的S波段的ERIEYE,以色列的L波段PHALCOW)等已相继部署。

为了适应层出不穷的应用需求,各国研究机构均加大投入,以期提升固态功放组件的性能。在P波段风廓线雷达功放组件的研制过程中,突破了微带混合匹配电路技术、传输线配相、稳定性设计以及脉冲前延优化技术等关键技术,对功放组件的驱动级固态放大器、微波放大模块、BITE、供电电源、冷却系统等分别进行了设计,成功研制了满足要求的功放组件。

1.指标分析及系统架构

探测目标对电磁波的散射非常微弱,本次设计的风廓线雷达的探测高度要求达到10km,经过技术分解,所需P波段功放组件主要技术指标如表1所示。

表1 P波段功放组件主要技术指标

功放管有多少种型号_惠威汽车功放推荐型号_mos管功放

由于每路射频输出功率均需要达到1.5kW以上,所以要综合考虑功率组件的数量和输出功率之间的关系。否则,将对系统在体积、重量、散热等方面提出过高的要求。总的来说,由于工作频率较低,组件数目太多将导致系统的分配网络和合成网络非常复杂,不利于系统的装配和维修。因此,在设计之初,就决定将微波组件的总数目控制在5个,即每路用一个组件来完成。这样,一方面,将大大减少发射机整机的复杂性;另一方面,降低整机成本。

考虑到每一路输出均需进行相位控制,则必须在射频通路中串入移相器。移相器的串入有如下两种方式:

惠威汽车功放推荐型号_功放管有多少种型号_mos管功放

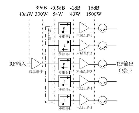
图1 移相器串入的两种方式

方式1是将5路数字移相器放在整个链路的最前面,优点是移相器的承受功率可在mW量级;但需要5路前级组件,会大大增加成本。方式2仅需一只前级组件,但移相器需要承受W级功率。在P波段,该量级的移相器难度不大。鉴于此,选择方式2的系统架构。由此,射频链路各级增益分配图如图2所示。

功放管有多少种型号_mos管功放_惠威汽车功放推荐型号

图2 射频链路各级增益分配图

2. 模块设计

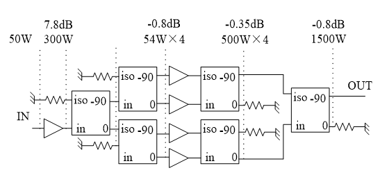
功放组件中需要进行功率模块的合成。从简化设计的角度出发,用2的n次方的数目进行合成是最为简单和经济的。考虑到完善的BITE功能的需求,P波段功放组件的整体设计方案图如图3所示。

功放管有多少种型号_mos管功放_惠威汽车功放推荐型号

图3 P波段功放组件的整体设计方案图

射频信号进入功放组件,首先送入300W模块,放大到300W左右。经过两级电桥的功分成为4路,每一路约为54W。经过500W模块的放大后,功率成为500W以上。再通过两级电桥的合成,输出至少1.5kW以上。在组件的输入、输出端,均设置耦合检波电路,对输入、输出的射频功率进行检测。放置在组件内的温度继电器可以对过温故障及时作出反应以保护微波晶体管。组件出现故障时,BITE板给主监控及时送出故障信号。

基于模块化设计考虑,本系统总共只用两种模块完成射频部分的放大。功放组件的增益分配图如图4。

功放管有多少种型号_惠威汽车功放推荐型号_mos管功放

图4 功放组件的增益分配图

300W模块和500W模块分别选择MS2176型和MS2200型双极型功率管。实物图见图5和图6。

惠威汽车功放推荐型号_功放管有多少种型号_mos管功放

由于50Ω传输线与晶体管的输入、输出阻抗相差太大(微波晶体管的输入、输出阻抗往往在数欧甚至1欧以下),直接匹配难以产生好的效果。用传输线变压器(变比为4:1)首先将50Ω的传输线阻抗变换为12.5Ω左右,然后再通过集总元件――电容、电感,在输入端获得良好的匹配效果。输出端也是照此设计,只是将传输线变压器的变比由4:1改为1:4。

作为功放模块而言,功率管往往采用脉冲C类工作方式。此种功率管的生产厂家往往不能提供其S参数,这就给匹配电路的具体实现带来难度。设计中,通过微带线、传输线变压器、集总参数的电容等实现具体的匹配网络。由于频段的关系,这两种模块的设计有相似之处,都是采用了巴伦和微带的混合匹配技术。功放组件幅度一致性的保证从模块做起,为此,专门对模块所用的巴伦画出详细的外形图,规定长度和形状;对调节电容的容值和位置也出图明示。另外在调试和测试后,对相应模块进行合理匹配,平衡了各路的输出功率,保证了功率组件的幅度一致性。

模块设计中,注意到分布参数对微波电路的影响会很大。无论地线和信号,都要求面接触,否则会在该处产生较高的驻波,增加调试的难度和降低成品率。在两种模块设计过程中,大量使用反包地线。不仅降低了接地电阻,而且大幅度提高了电磁兼容性。

3、组件设计

如前所述,末级组件通过1只300W模块,4只500W模块实现射频链路的功能。与此同时,该组件还要实现BITE、散热、储能等功能。

3.1 BITE设计

根据系统的应用特点,组件故障分为:欠输入故障、欠输出故障、过热故障三种。其中过热故障是致命故障,需要将该组件对应的电源模块输出关断。

欠输入、输出故障对组件的输入、输出功率进行监测,当无输入功率,或输出功率低于额定值1dB以上时,报故障。热故障用于监测组件内部关键功率晶体管的壳温。当晶体管的壳温高于额定值时报故障,同时用该故障信号去关断本组件的电源模块。当没有任何故障产生时,组件报正常。

三类故障中,欠输入故障、欠输出故障需要采集微波信号,再将微波信号转化为直流信号,然后再做相应处理。一般使用微带耦合器来采集一部分微波信号,然后用检波器将微波信号转化为直流信号,检波电路示意图见图7。

mos管功放_惠威汽车功放推荐型号_功放管有多少种型号

图7 检波电路示意图

热故障利用温度继电器(常开)来采集。温度继电器安装在微波晶体管的旁边,当晶体管壳温达70℃时,温度继电器的壳温也随之上升到55℃左右,温度继电器的开关状态反转。温度继电器其中一个引脚上加有5V电源,另一引脚上的电压将随着开关状态的转变而在5V和0V之间转化,完成对晶体管壳温是否超过额定值的判别。

3.2散热设计

散热设计是模块乃至组件设计的关键一环。由于散热模块是组成发射机的基本单元,大功率晶体管就安装在其上,模块散热性能的好坏将直接影响晶体管的性能发挥。在决定采用风冷散热的前提下,利用肋片散热器,其散热通道大、阻力小,相对而言需要较大风量。

散热模块的形式确定后,保证匹配电路微带板和功率管的安装精度显得尤为重要。对微带板安装面的平面度、粗糙度均提出较高的要求。为了降低管子与安装基面间的接触热阻,除了提高安装面的粗糙度要求外,在功率管与安装基面间涂性能较好的导热硅脂。

散热模块计算过程如下:

①输入条件

按照晶体管峰值功率500W,效率>45%,工作比10%考虑,耗散功率P计算如式(1)

功放管有多少种型号_惠威汽车功放推荐型号_mos管功放

晶体管的外形尺寸(法兰): 22.61mm×9.65mm×1.65mm

②散热器材料性质

散热模块材料LD31 的导热系数λ=204W/m·K

③设计原则

散热计算的基本依据是保证晶体管的结温不超过最高的允许结温,考虑管子的壳温不超过70℃。

将上述数据代入热仿真软件,结合工程经验,并经过计算和综合设计,得出散热器尺寸如图8。

功放管有多少种型号_惠威汽车功放推荐型号_mos管功放

图8 散热器尺寸图

3.2储能设计

由于系统工作在脉冲方式,直流电源进入组件后,需要通过储能电容后再馈送至每个微波功率管的电源端,这样才可以保证单管放大器输出的脉内功率顶降不致过大。

储能电容的总容量(C)与组件的输出峰值电流(Ip)、脉宽(Tp)、工作电压(Vcc)以及要求的顶降(δ)有关。它们之间满足如式(2)

功放管有多少种型号_mos管功放_惠威汽车功放推荐型号

首先计算500W模块的储能电容值。500W模块输出峰值功率设为600W(实际500W,这里留出20%的裕量)、工作电压VCC=40V、效率η=45%(实际大于50%),由此计算MS2200微波功率管的峰值工作电流IP如式(3)

mos管功放_功放管有多少种型号_惠威汽车功放推荐型号

设工作脉宽为20μs,要求顶降不超过0.015,则由(2)式可知,一个MS2200要求的储能电容容量约为1133μF。这样,为满足要求,选用一只容值为1500μF的电容为每个功率管提供峰值电流。整个组件将装入5个这样的电容。

为了防止电源过流,烧毁微波晶体管,在电源输入组件处,加入一个25A的空气开关。

通过上述设计途径,最终获得如图9所示的P波段功放组件。

mos管功放_功放管有多少种型号_惠威汽车功放推荐型号

图9 P波段功放组件

通过计算,可知在空气介质中,445MHz微波波长是0.674m,而组件中所用的传输线电缆的相对介电常数是2.2,微波波长是0.454m,对应于360°相移。这样,当组件需要移相20°时,只需要改变电缆长度2.5cm。组件间的相位一致性问题得以很好的解决。

4、测试结果

对获得的P波段功放组件进行电性能测试。测试前先对定向耦合器的耦合度和插入损耗、同轴固定衰减器的实际插入损耗、测试电缆的插入损耗以及负载驻波比等进行测量,所获得的值代入峰值功率计中作为偏移量。

信号源送入的微波信号,经驱动模块放大输出至功放组件需要的功率。由功放组件出口处的定向耦合器耦合输出部分微波信号,经固定衰减器送入峰值功率计进行测量,记录输出峰值功率Pout。定向耦合器同时耦合输出一部分信号至检波器检波,送入示波器,进行时域参数的测量。

通过信号源将频率预置到工作频段内,为功放组件配置合适的电源电压,连接输入、输出耦合器及负载,逐点测试输出功率及各项参数。测试系统原理图见图10。

mos管功放_惠威汽车功放推荐型号_功放管有多少种型号

图10 测试系统原理图

图10中,信号源型号为HP8648D,在2.5GHz频率范围内输出电平的精度在±1dB之内;示波器型号为HP54600B,主要性能为数字存储,100M带宽;峰值功率计型号为E4417A,频率范围为10MHz~26.5GHz。组件输出功率的测试图片见图11。

功放管有多少种型号_惠威汽车功放推荐型号_mos管功放

图11 组件输出功率测试图

组件上升沿、下降沿测试图片见图12。

惠威汽车功放推荐型号_mos管功放_功放管有多少种型号

图12 组件上升沿、下降沿测试图

对5只组件进行测试和比较,结果见表2。

表2 P波段功放组件的测试数据

惠威汽车功放推荐型号_功放管有多少种型号_mos管功放

表格中,功率的单位为kW,上升、下降沿的单位为μS。分析上述数据,1号组件的输出幅度最小,为61.76dBm,4号组件的输出幅度最大,为62.15 dBm。因此5只组件的幅度一致性为62.15-61.76=0.39dB,满足ΔA≤1dB的指标。相位一致性指标经过矢网测试和电缆长度的调节也完全满足ΔΦ≤7°的要求。

风廓线雷达的发射信号类型是窄脉冲线性调频信号,对信号的上升沿和下降沿有严格要求。上升和下降沿过大,不仅会造成发射能量的损失,同时对信号带宽也构成影响,进而影响接收分辨率。工作脉宽越窄,输出射频脉冲的上升沿和下降沿占脉冲宽度的比例越高,对雷达的性能影响也就越大。从表2可以看出,虽然上升、下降沿的指标均满足要求,但是在窄脉冲(τ=1.6μs)情况下,发射脉冲在输出功率还没有达到最大值时即已经结束,造成峰值功率普遍比宽脉冲(τ=12.8μs)时要略小一些。可以预见,上升沿越小,宽窄两种脉冲情况下输出功率的差别也将越小,同时对雷达性能影响也会越小。

结 语

P波段功放组件采用了模块化设计技术、混合匹配电路设计技术、大功率组件的强迫风冷设计技术等。经过一个完整的设计周期,目前该型组件已经成功运用于风廓线雷达中。

运用于风廓线雷达的P波段功放组件达到了设计要求。经过长时间的运行,可以证明功放组件的可靠性值得信赖。

(参考文献略)

功放管有多少种型号_mos管功放_惠威汽车功放推荐型号

发表回复

您的电子邮箱地址不会被公开。 必填项已用*标注